XG星形給料機
概述
XG系列星形給料機是在引進消化國外同類產品的基礎上,經我廠改進設計的一種新型給料設備。XG系列星形給料機可將干燥粉狀或小顆粒狀物料均勻地輸送給受料裝置,同時具有鎖風、隔壓功能,能有效地解決有壓差情況下的給料。
特點
1.XG星形給料機結構簡單,操作方便*運轉乎穩,噪音低。
2.給料連續均勻。
3.體積小,重量輕。
4.具備防銹、耐蝕。
5.配用防溫電機 適用于有防攝要求的場合。
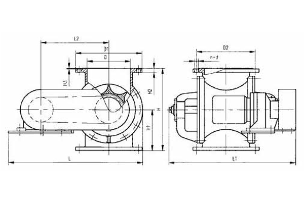
XG系列星形給料機型號圖
XG系列星形給料機安裝尺寸圖
XG系列星形給料機用戶現場
參數
型號 | 公稱直徑(mm) | 每轉排出物料體積l/r | 排出能力M/N (n=100%) | 配套電機功率 | 重量(kg) | ||
20r.p.m | 30r.p.m | 45r.p.m | |||||
XG100 | 100 | 1 | 1.2 | 1.8 | 2.7 | 0.37 | 84 |
XG125 | 125 | 1.5 | 1.8 | 2.7 | 4.05 | 0.37 | 96 |
XG150 | 150 | 2.5 | 3 | 4.5 | 6.75 | 0.55 | 108 |
XG200 | 200 | 4.3 | 5.16 | 7.74 | 11.61 | 0.75 | 228 |
XG260 | 260 | 8 | 9.6 | 14.4 | 21.6 | 1.1 | 342 |
XG300 | 300 | 12 | 14.4 | 21.6 | 32.4 | 1.5 | 437 |
型號 | L | L1 | L2 | D | D1 | D2 | H | H1 | H2 | H3 | n-d |
XG100 | 400 | 430 | 254 | 100 | 215 | 180 | 330 | 105 | 24 | 3 | 8-18 |
XG125 | 504 | 476 | 280 | 125 | 245 | 210 | 370 | 185 | 26 | 3 | 8-18 |
XG150 | 558 | 527 | 310 | 150 | 280 | 240 | 420 | 210 | 28 | 3 | 8-23 |
XG200 | 612 | 578 | 340 | 200 | 335 | 295 | 460 | 230 | 30 | 3 | 12-23 |
XG260 | 730 | 720 | 406 | 260 | 405 | 355 | 550 | 275 | 32 | 3 | 12-25 |
XG300 | 876 | 864 | 480 | 300 | 460 | 410 | 620 | 310 | 34 | 4 | 12-25 |
用途
XG系列星形給料機廣泛適用于化工、制藥、食品等行業。

相關產品
動態
-
02
2012-06
振動篩軸承發熱的原因
振動篩軸承在使用過程中,溫升偏大,軸承容易損害。原因分析: 1:如果是新篩,一定是工藝問題,如果是舊篩,剛度,基.. 槽式給料機 &nbs振動輸送機p;  埋刮板給煤機; 振動篩軸承在使用過程中,溫星形給料機升偏大,軸承容易損害。原因分析: 1:如果振動給煤機是新篩..
-
05
2012-05
振動電機常見故障及處理
序號 故障現象 可能原因 處理方法 一 電源接通后電機不能啟動 物料提升機 .. 序微型振動給料機號 故礦用振動篩障現象 可能原板式輸送機因 處理方活化給煤機法 慣性振動給料機一 電源星形給料機接通后電機不能啟動 普通電機驅動慣性振動給料機1圓振篩、 定子繞組料倉振打..
-
01
2012-03
葉輪給料機的實際應用
葉輪給料機用于將上部料倉中的干燥粉狀物料或小顆粒物料連續地、均勻地喂送到下一設備中去,星形給料機廣泛應用于建材、冶金等行業,往復式給煤機又稱電磁振動給煤機。
-
01
2012-03
葉輪給料機的安裝調試及維護
星形給料機軸承的潤滑是整臺給料機正常工作的關鍵,葉輪給料機在運行過程中應經常檢查振幅,電磁振動給煤機在運行過程中應經常檢查振幅往復式給煤機軸承的潤滑是整臺給料機正常工作的關鍵。
-
01
2012-03
星形給料機的工作原理
星形給料機把經過的物料通過稱重橋架進行檢測重量,連續測量葉輪給料機的運行速度,以確定膠帶上的物料重量,振動給料機是利用往復式給煤機中的偏心塊旋轉產生離心力。
熱銷產品
-
DZSF直線振動篩
DZSF系列直線振動篩是由篩箱、篩框、振動電機、減振系統及座架等組成。直線振動篩是用振動電機作為振動源,固定在篩箱上兩臺相同的振動電機做相反方向自同步旋轉,振動電機所帶的偏心塊在旋轉時各個瞬間位置所產生的離心力之分力沿拋擲方向作往復運動
立即了解?DZSF直線振動篩
-
CZ系列倉壁振動器
-
ZG系列慣性振動器
-
GZ系列電磁振動給料機
GZ系列電磁振動給料機在生產流程中,用于把塊狀、顆粒狀、粉狀物料從貯料倉或漏斗中定量、均勻、連續地給到受料裝置中去。
立即了解?GZ系列電磁振動給料機